Servicios Ofrecidos
Servicios de Ensayos de Materiales para la Industria
Laboratorio especializado en la caracterización y verificación de materiales metálicos y uniones soldadas. Ofrecemos ensayos acreditados por ENAC y soluciones a medida para garantizar la máxima fiabilidad, calidad y rigor técnico que nos distinguen en el mercado.
Nuestros Ensayos de Laboratorio
Realizamos un completo rango de ensayos destructivos para la caracterización de materiales. A continuación, detallamos nuestros servicios, divididos entre aquellos que cuentan con acreditación oficial ENAC y otros ensayos especializados.
Ensayos Acreditados por ENAC (Acreditación 1277/LE2404)
Garantizamos la máxima fiabilidad y reconocimiento oficial con nuestro catálogo de ensayos acreditados. Son la solución ideal para la
Cualificación de Procedimientos de Soldeo (WPQR) y la Cualificación de Soldadores, cumpliendo con las normativas europeas más exigentes.
Listado de Servicios Acreditados
Determinamos propiedades mecánicas clave como el límite elástico, la resistencia a la tracción y el alargamiento del material. Es fundamental para verificar la calidad de materiales metálicos y uniones soldadas.
Capacidad: Fuerza máxima de hasta 500 kN.
Evaluamos la ductilidad y la integridad de un material o soldadura al someterlo a una deformación plástica severa. Este ensayo es clave para detectar la posible aparición de grietas o fisuras.
Consiste en forzar la fractura de una unión soldada para realizar una inspección visual de la superficie de rotura. Es una prueba cualitativa de alta eficacia para detectar falta de fusión, porosidad y otros defectos internos de soldeo.
Medimos la tenacidad de un material, es decir, su capacidad para absorber energía antes de fracturarse al ser sometido a un impacto brusco.
Rango de Temperatura: Pruebas controladas desde temperatura ambiente (25±5∘C) hasta −60∘C.
Determinamos la resistencia de un material a ser penetrado, un indicador clave de la resistencia al desgaste y de la efectividad de los tratamientos térmicos.
Métodos: Dureza Brinell (HBW 2.5/187.5) y Dureza Vickers (HV10). Realizamos barridos de dureza especializados en uniones soldadas.
Inspeccionamos visualmente una sección transversal de la soldadura para analizar en detalle la geometría y calidad de la unión. Permite verificar la penetración, la fusión entre pasadas, la ZAC y la presencia de defectos.
Otros Ensayos Especializados
Ofrecemos una amplia gama de ensayos complementarios para cubrir todas las necesidades de caracterización de materiales y análisis de fallos, manteniendo siempre los más altos estándares de calidad y precisión técnica.
Ensayo de Flexión por Choque a Baja Temperatura
Realizamos ensayos Charpy a temperaturas criogénicas, ampliando el rango de servicio desde −61∘C hasta −196∘C para proyectos con requerimientos especiales.
Determinamos el comportamiento y las propiedades de un material (metales, polímeros, composites) cuando es sometido a cargas de aplastamiento.
Evaluamos la ductilidad, integridad de la soldadura y ausencia de defectos en tubos metálicos mediante ensayos de aplastamiento y abocardado, asegurando su capacidad para sufrir deformación plástica sin fisuras.
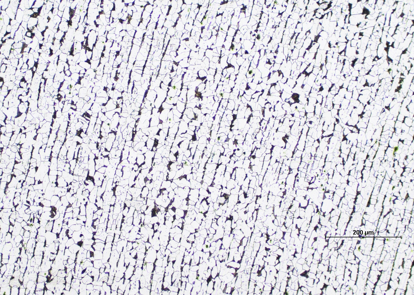
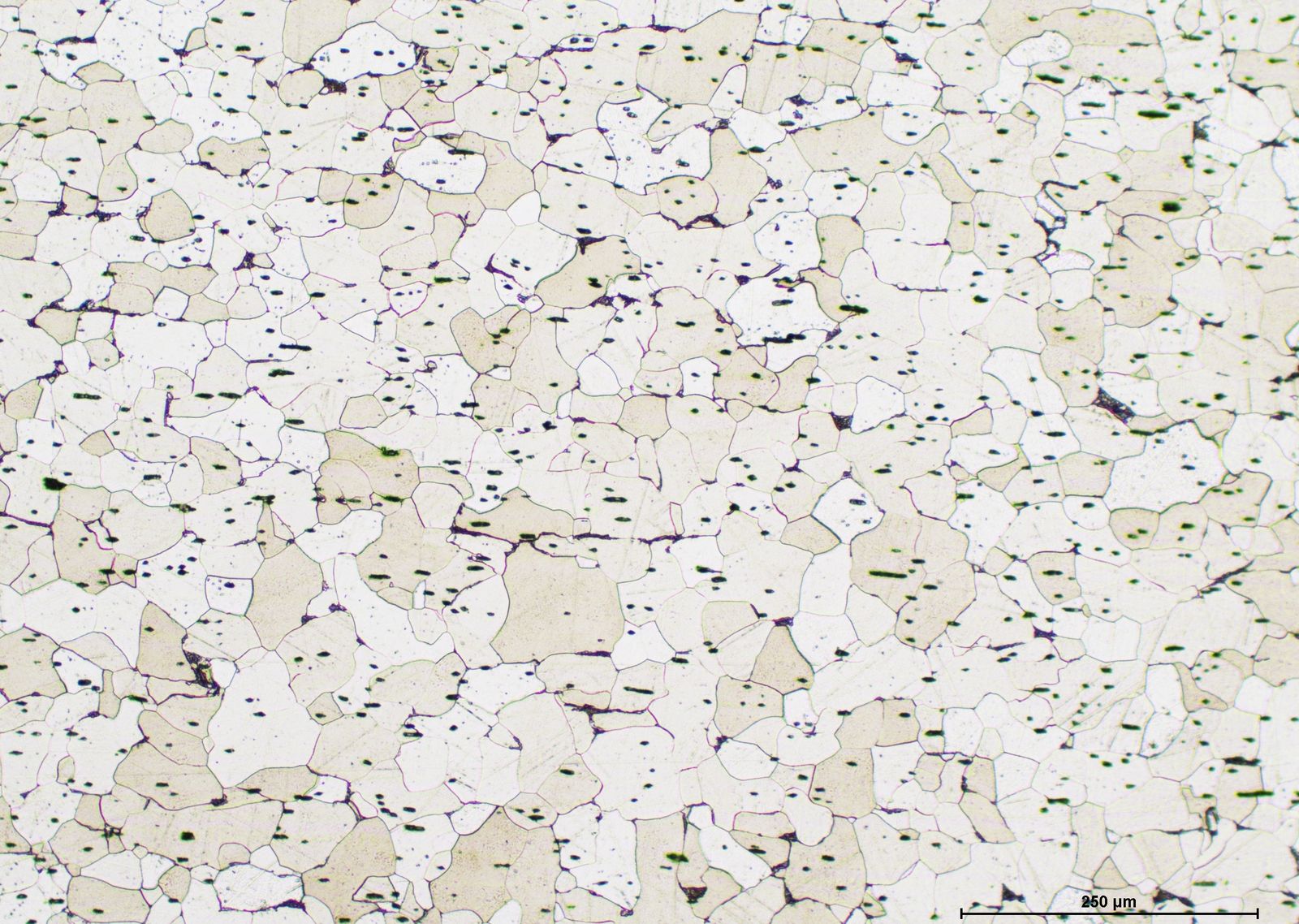
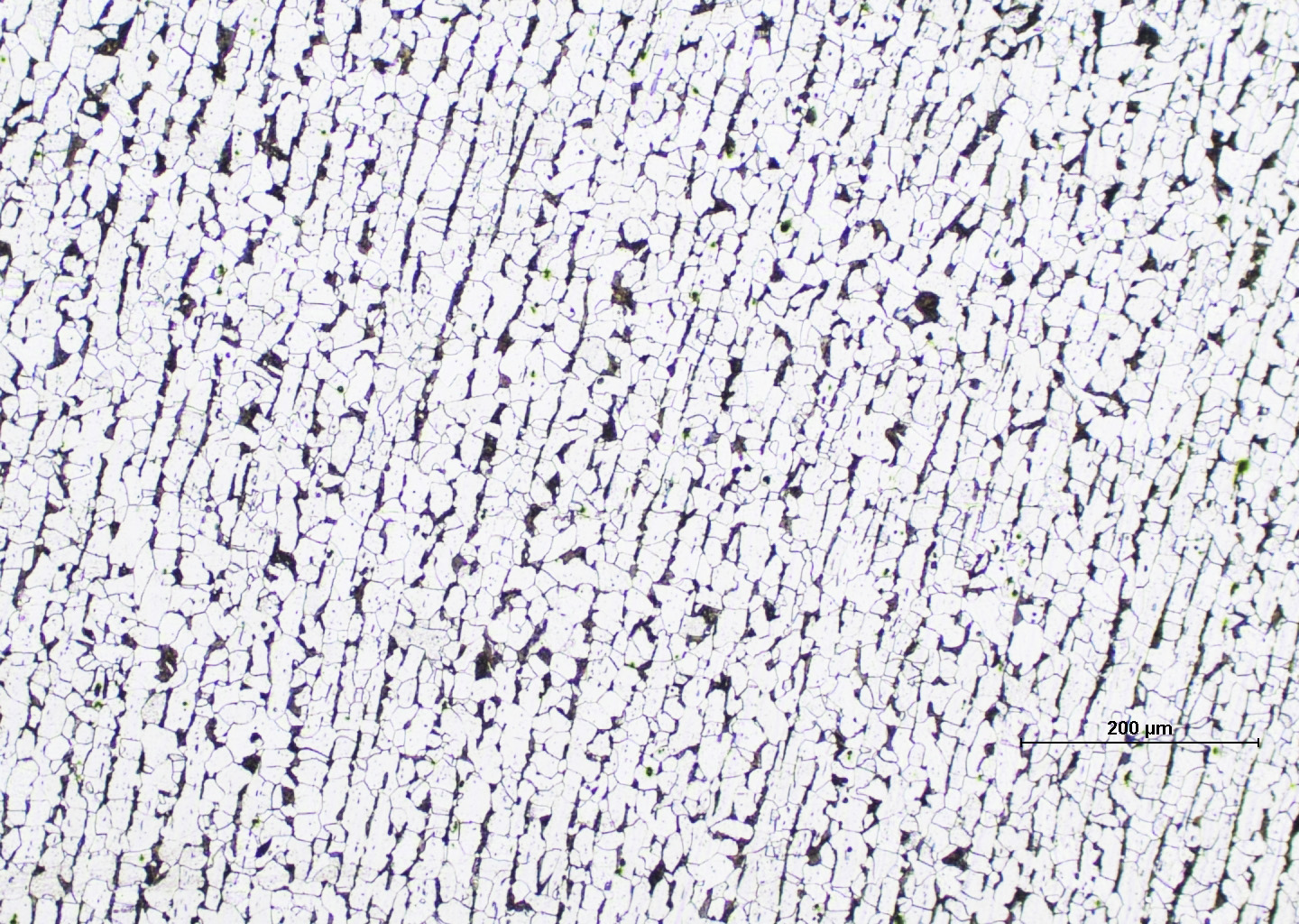
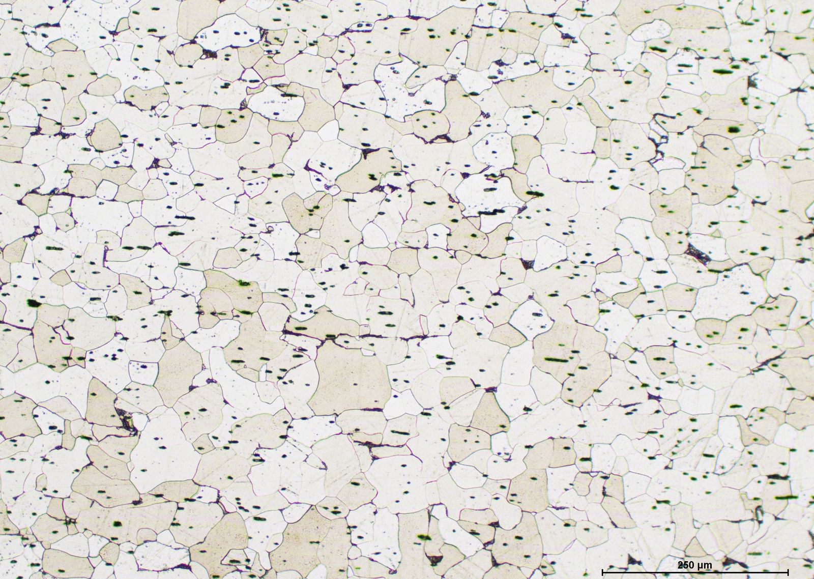
Incluye el Examen Microscópico para analizar la microestructura (tamaño de grano, fases, inclusiones) y la Impresión Baumann para revelar la distribución de inclusiones de azufre en carriles de vía.
Verificamos la calidad y durabilidad de los recubrimientos de zinc sobre acero mediante la determinación del espesor, ensayos de adherencia y ensayos de uniformidad para garantizar una protección efectiva contra la corrosión.
Determinamos con alta precisión la composición química de aceros, fundiciones y aleaciones de aluminio mediante Espectrometría de Emisión Óptica (OES). Realizamos el cálculo de Carbono Equivalente (CEV), un parámetro crucial para evaluar la soldabilidad del acero.
Nota: Actualmente en proceso de ampliación de acreditación ENAC para análisis químico de aceros.
Solución Integral para Cualificaciones de Soldeo Acreditadas
En Cequim SL estamos acreditados para realizar el conjunto completo de ensayos destructivos requeridos por las normativas europeas. Centralice con nosotros todos los ensayos para la
Cualificación de Procedimientos de Soldeo (WPQR) según UNE-EN ISO 15614-1 y la Cualificación de Soldadores según UNE-EN ISO 9606, garantizando la máxima eficiencia, fiabilidad y rigor técnico en sus procesos.
Micrografías





















Macrografías


















































Durezas




Estamos aquí para responder a todas sus preguntas y ayudarle a encontrar la solución perfecta para sus necesidades. ¿Necesita un ensayo que no aparece en la lista? Contáctenos hoy mismo para analizar sus requerimientos.
Responsable: CENTRO DE ENSAYOS QUIMICO METALURGICOS SL
Finalidad: Responder a su consulta y envío de información solicitada.
Legitimación: Consentimiento explícito del usuario.
Destinatarios: No se cederán datos a terceros, salvo obligación legal.
Derechos: Acceso, rectificación, supresión y otros derechos detallados en la política.
+ Info: Ver Política de Privacidad completa.